The 1.85 mm connector is a pin and socket type connector that uses an air dielectric filled interface that assures mode free operation up to 65 GHz. It is also known as the Type V connector. Some manufacturers have demonstrated performance up to 67 GHz. The design has been introduced as an open standard under the IEEE 287 Precision Connector Standards Committee.
History
The 1.85 mm connector was first proposed and introduced by Hewlett Packard at the 1986 European Microwave Conference. It was Anritsu (then Wiltron) who first commercialised it when the company released its 60 GHz Vector Network Analyser in 1989. No patent applications were filed to protect the design of the connector and Hewlett Packard allows free use of the interface by everyone. It is important to note that a patent application has been filed to protect the design of 1.85 mm constant impedance contact.
Applications
Due to its high operating frequency range, the 1.85 mm series is considered a mm-Wave RF connector and finds its use in precision instrumentation and other laboratory applications. The 1.85 mm series has compatible interfacing with the 2.4 mm RF connector.
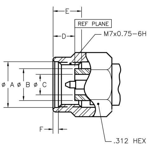
Male Dimensions

Legend | Min | Max |
---|---|---|
A
|
7.0100
|
7.1100
|
B
|
4.7370
|
4.7550
|
C
|
1.8420
|
1.8540
|
D
|
1.8520
|
2.4510
|
E
|
4.3700
|
4.6200
|
F
|
0.5100
|
0.7600
|
G
|
0.4980
|
0.5160
|
H
|
1.3350
|
1.4450
|
J
|
0.0000
|
0.1300
|
K
|
0.7900
|
0.8130
|
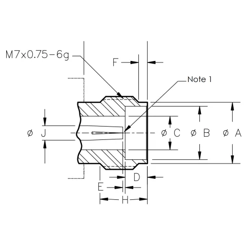
Female Dimensions

Legend | Min | Max |
---|---|---|
A
|
5.7900
|
5.8900
|
B
|
4.7700
|
4.7960
|
C
|
1.8410
|
1.8570
|
D
|
3.0000
|
3.1000
|
E
|
0.0000
|
0.1300
|
F
|
1.4000
|
1.6500
|
H
|
4.8100
|
5.0600
|
J
|
0.7950
|
0.8100
|