The 2.4 mm connector is a pin and socket type connector that uses an air dielectric filled interface that assures mode free operation up to 50 GHz. It is also known as the Type Q, or OS-50 connector. Some manufacturers have demonstrated performance up to 60 GHz. The design has been introduced as an open standard under the IEEE 287 Precision Connector Standards Committee.
History
The 2.4 mm connector was conceived by the Hewlett Packard Company (now Agilent Technologies) and jointly developed with Amphenol and M/A-Com Omni Spectra, released in 1986. The objective was to create a totally new interface that eliminated the performance restraints of having to mate with an existing connector (like SMA) and thereby allowing significant design improvements to be made.
No patent applications were filed to protect the design of the connector and Hewlett Packard allows free use of the interface by everyone. It is important to note that a U.S. patent number 4,648,683 has been granted on the design of 2.4 mm constant impedance contact.
Applications
Due to its high operating frequency range, the 2.4 mm series is considered a mmWave RF connector and finds its use in precision instrumentation and other laboratory applications. The 2.4 mm series has compatible interfacing with the 1.85 mm RF connector.
Variations
A precision variation of standard 2.4 mm connector is offered by some manufacturers, termed GPC2.4. They feature extremely low VSWR and insertion loss, and are designed to non-destructively mate with standard 2.4 mm series. These connectors generally have a high performance support bead and comply with proposed IEEE standard 287 General Precision Connector, instrument grade.
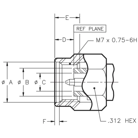
Male Dimensions

Legend | Min | Max |
---|---|---|
A
|
7.0100
|
7.1200
|
B
|
4.7250
|
4.7500
|
C
|
2.3880
|
2.4130
|
D
|
1.8500
|
2.4500
|
E
|
4.3700
|
4.6230
|
F
|
0.5100
|
0.7600
|
G
|
0.4980
|
0.5230
|
H
|
1.2700
|
1.5240
|
J
|
0.0000
|
0.1270
|
K
|
1.0300
|
1.0520
|
Female Dimensions

Legend | Min | Max |
---|---|---|
A
|
5.7900
|
5.8900
|
B
|
4.7700
|
4.7950
|
C
|
2.3880
|
2.4130
|
D
|
3.0000
|
3.1000
|
E
|
0.0000
|
0.1270
|
F
|
1.4000
|
1.6500
|
G
|
5.9900
|
|
H
|
6.8600
|
|
J
|
1.0310
|
1.0520
|