The 7/16 DIN connector is a robust, high power handling RF connector with relatively good PIM performance, typically used in broadcast and cellular base station antennas. The name of the connector comes from the nominal values of 16 mm at the interface for the internal diameter of the outer conductor, and 7 mm for the diameter of the centre conductor.
The exact ratio is chosen such that it gives a nominal impedance of 50 ohms. This connector is widely used in the telecommunications industry and it has a frequency range covering from DC to 7.5 GHz. It has an excellent electrical performance including low insertion and return loss, good connection repeatability and high power handling capability. The connector design has been standardised through DIN 47223 and IEC 61169-4.
History
The 7/16 RF connector was developed by SPINNER GmbH in Germany during the 1960s during an era when such connectors were beginning to become standardised. It is experiencing a resurgence of interest in the 1990's due to its particular suitability for certain applications in high performance military systems and cellular base station installations; including high power UMTS systems.
Applications
7/16 DIN connectors remain popular throughout a range of broadcast applications due to their high power handling, with the series being the connector of choice for cellular base station antennas. With the later development of the 4.3-10 connector, 7/16 DIN connectors have lost popularity due to the weight and size savings offered by the newer design. 4.3-10 connectors also offer superior ingress protection ratings and far superior PIM performance.
Variations
The 7/16 DIN connector is available in General Precision and Laboratory Precision variations, with the only difference being permitted mechanical tolerances.
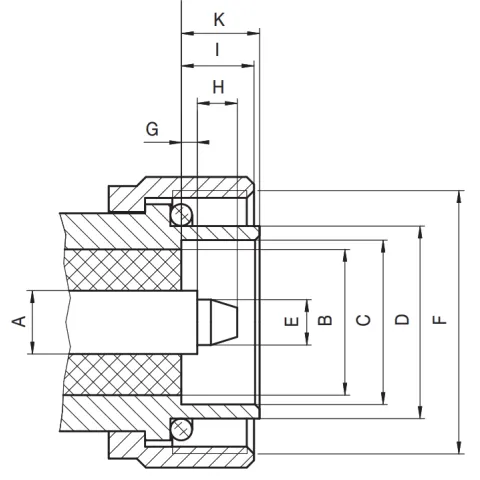
Male Dimensions (courtesy Rosenberger)

Legend | Min | Max |
---|---|---|
A Ø (nom.)
|
7.0000
|
|
B Ø
|
15.8500
|
16.2500
|
C Ø
|
18.0300
|
18.2100
|
D Ø
|
20.6000
|
21.4000
|
E Ø
|
4.9600
|
5.0400
|
F M26 x 1.5
|
||
G
|
1.4700
|
1.7700
|
H
|
4.5000
|
|
I
|
7.0000
|
9.0000
|
K
|
7.0000
|
8.0000
|
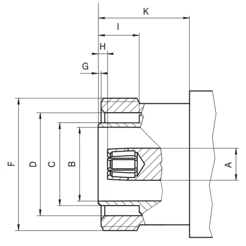
Female Dimensions

Legend | Min | Max |
---|---|---|
A Ø (nom.)
|
7.0000
|
|
B Ø
|
15.8500
|
16.2500
|
C Ø
|
17.8400
|
18.0200
|
D Ø
|
22.1000
|
22.9000
|
E
|
||
F M26 x 1.5
|
||
G
|
0.5000
|
0.7000
|
H
|
1.7700
|
2.0700
|
I
|
8.1000
|
|
K
|
10.0000
|