The Blind-Mate Z (BMZ) RF connector is a miniaturised version of the slide-on/push-on BZ connector providing operation up to 18 GHz. The female connector can have a floating design to provide tolerance against misalignment during mating. The connector series is commonly referred to as PMMA, despite the official military standard designation of BMZ. The connector design has been standardised through MIL-STD-348B.
History
The connector was originally developed in the 1980s by US company Automatic Connector as PMMA.
Applications
The BMZ design sports the highest power to line size ratio in its class, making it ideal for military and aerospace applications requiring high density packing. The floating design also permits usage in high vibration environments. BMZ female connectors can be fixed or floating. Floating connectors are used to tolerate axial or radial misalignment whereby the spring mechanism separates the connector interface from the flange housing and allows floating for blind mating purposes
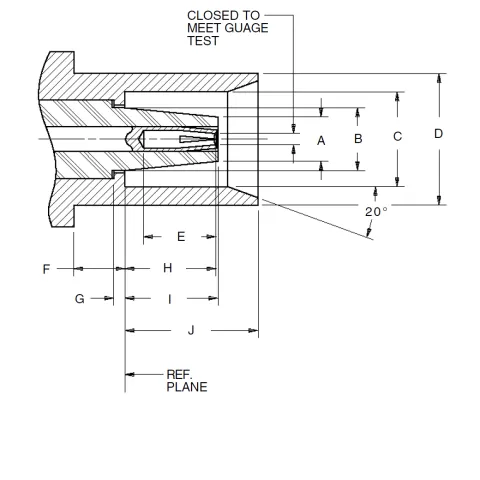
Male Dimensions (Courtesy SV Microwave)

Legend | Min | Max |
---|---|---|
A
|
4.6700
|
|
B
|
2.2100
|
|
C
|
1.5700
|
|
D
|
0.2500
|
|
E
|
0.7600
|
|
F
|
3.3000
|
|
G
|
1.6500
|
|
H
|
3.3000
|
|
I
|
5.1600
|
|
J
|
0.2800
|
|
K
|
0.5300
|
|
L
|
1.5200
|
|
M
|
0.3800
|
|
N
|
3.3000
|
Female Dimensions

Legend | Min | Max |
---|---|---|
A
|
1.5700
|
|
B
|
2.2100
|
|
C
|
3.2800
|
|
D
|
4.7800
|
|
E
|
2.4100
|
|
F
|
1.7800
|
|
G
|
0.2500
|
|
H
|
3.3000
|
|
I
|
3.3000
|
|
J
|
4.7800
|
|
K
|
2.6300
|