Description
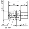
The Telegärtner N Bulkhead Jack Crimp (Model: 100024030, SKU: ACC-TG-00037) is a high-performance RF connector, ideal for telecommunications and data communications applications. This N Female connector features a straight body and bulkhead front mount, designed for use with L-400 cable types. Its crimp/crimp attachment ensures secure and efficient connections.
Constructed with a robust Copper-Nickel-Lead-Phosphorus body and Copper-Silver Alloy plating, the connector offers durability and excellent conductivity. The inner contacts are similarly plated, while the PTFE/Teflon insulator provides reliable electrical isolation. This connector supports a standard input impedance of 50 Ω and is RoHS compliant, ensuring environmental safety.
Engineered for resilience, it is rated for numerous mating cycles and operates across a wide temperature range, making it versatile for various environments. Its performance at key frequencies is noteworthy: at 1000 MHz, it achieves a Return Loss of ≤ 34 dB and an Insertion Loss of 0.10 dB; at 2000 MHz, a Return Loss of ≤ 30.50 dB; and at 3000 MHz, a Return Loss of ≤ 28 dB.
Telegärtner, a renowned German company with over 70 years of experience, is a leading provider of advanced RF connectors, network components, and more, trusted for high-tech applications worldwide.
VSWR Measurement
Frequency | Return Loss | Insertion Loss |
---|---|---|
1000 MHz
|
≤ 34 dB
|
0.1 dB
|
2000 MHz
|
≤ 30.5 dB
|
|
3000 MHz
|
≤ 28 dB
|
Physical Specification
Drawing

Downloadable Resources
As family-owned company the Telegärtner Group has developed to an international network of affiliated companies specialising in intermediate and end products for telecommunications and data communications for customers with the most exacting demands for high-tech applications over the last 70 years.
Since the company was set up in 1945 Telegärtner has seen steady growth and has continually expanded ...