Description
The Telegärtner N Straight Plug Crimp G1 is a high-performance coaxial RF connector designed for professional telecommunications and data communications applications. This N Male connector features a straight body and a free-hanging mounting style, making it ideal for seamless integration with RG-58 cable types using a crimp attachment mechanism. Its robust construction from lead-brass alloy, with copper-silver alloy plating, ensures excellent durability and reliable connectivity.
Engineered to operate within a frequency range of 0 to 11 GHz, this connector is suitable for a wide array of RF applications, including wireless communication systems and antenna connections. It supports an impedance of 50 ohms, making it compatible with standard RF systems while maintaining signal integrity through low inner and outer contact resistance. The PTFE/Teflon insulator provides excellent thermal stability, allowing the connector to function in varying temperature conditions.
With a capability of enduring over 500 mating cycles, the Telegärtner connector boasts long-term reliability for repeated use. Its RoHS compliance underscores its suitability for environmentally conscious projects. The connector's performance is highlighted by its impressive return loss values, ensuring minimal signal reflection and optimal transmission quality across different frequencies.
RF Connector Interface
RF Interface | Body Shape | Mounting |
---|---|---|
RF Specification
VSWR Measurement
Frequency | Return Loss |
---|---|
1000 MHz
|
≤ 34 dB
|
2000 MHz
|
≤ 29 dB
|
4000 MHz
|
≤ 25 dB
|
11000 MHz
|
≤ 24 dB
|
Physical Specification
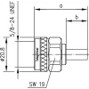
Drawing

Downloadable Resources
As family-owned company the Telegärtner Group has developed to an international network of affiliated companies specialising in intermediate and end products for telecommunications and data communications for customers with the most exacting demands for high-tech applications over the last 70 years.
Since the company was set up in 1945 Telegärtner has seen steady growth and has continually expanded ...